Арт.: 049018

Профиль SL-MINI-10-2000 BLACK (Arlight, Алюминий)

Распечатать
Поделиться
Общие характеристики
Тип товара
Профиль
Форма (сечение)
Прямоугольный
Цвет покрытия
Чёрный
Назначение
Для контурной подсветки
Материал корпуса
Алюминий
Модельный ряд
SL-MINI
Гарантийный срок
3 год(а)
Способ монтажа
Накладной / Встраиваемый
44016 ₽/м

Нет в наличии 

Пленочная упаковка (полистирол) 2 м — 88032
Пленочная упаковка (полистирол) 2 м 88032
Способы получения заказа Способы получения заказа Самовывоз Курьерская доставка
Описание
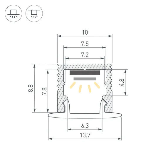
Накладной профиль из анодированного алюминия для подсветки мебели, пазов, ниш и других элементов интерьера. Габаритные размеры профиля составляют 2000 мм в длину, 10 мм в ширину и 8,8 мм в высоту. Площадка для установки светодиодных лент позволяет использовать ленту шириной до 7,5 мм и мощностью до 10 Вт/м. Это обеспечивает гибкость в выборе светодиодных лент и создает потрясающие световые решения. Экран, заглушки и другие аксессуары не включены в комплект и приобретаются отдельно. Цена указана за 1 метр профиля. Отличное решение для создания современных световых проектов.
Характеристики
Алюминиевый анодированный профиль для светодиодных лент и линеек. Цвет - черный RAL9005 (порошковая окраска). Габаритные размеры (L×W×H): 2000x10x8,8 мм. Ширина площадки для ленты 7,5 мм. Экраны, заглушки и другие аксессуары приобретаются отдельно. Цена за 1 метр.
Общие
Артикул
049018
Тип товара
Профиль
Форма (сечение)
Прямоугольный
Цвет покрытия
Чёрный
Назначение
Для контурной подсветки
Материал корпуса
Алюминий
Модельный ряд
SL-MINI
Гарантийный срок
3 год(а)
Способ монтажа
Накладной / Встраиваемый
Светотехнические
КПД профиля (cветовой)
55 %
Эксплуатационные
Ширина световой линии
10 мм
Рассеиваемая тепловая мощность на 1м
max: 10 W
Покрытие поверхности
Анодирование
Внешний вид поверхности
Матовая
Габариты
Длина
2000 мм
Ширина
10 мм
Высота
8.8 мм
Ширина площадки
7.5 мм
Глубина установки источника света
7.8 мм
Другие
Кратность цены за 1 м/шт
1
Модели серии (20)
Страница серии
Item 1 of 20